加湿器 散热风扇
私模灌胶 防水风机
型号:KFL17251HB2-7
性能 :
外框:黑烤漆铝合金压铸防腐、防湿包装 :20台/箱
KFL-EC17251HB2 加湿机专用防水风扇 | ![]() |
| Specifications are subjected to change without notice |
项 目(Item) | 规格/条件(Specification / Condition) | |||
01 | 型 号(Part No.) | KFL-EC17251HB2 | ||
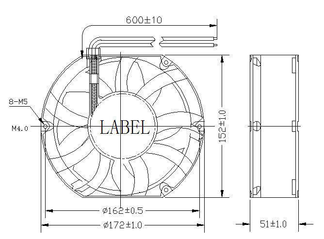
02 | 外形尺寸(Outline Dimension) | 172*150*51mm | ||
03 | 额定电压(Rated Voltage) | AC/DC 220V | ||
04 | 电压范围(Voltage Range) | AC/DC110V ~ AC/DC240V | ||
05 | 起动电压(Starting Voltage) | AC/DC110V | a. 额定电压 (Rated Voltage) b. 25° C c. 65 % RH | |
06 | 额定电流(Rated Current) | 0.17 | 以下 | |
07 | 额定功率(Rated Power Consumption) | 20W | ||
08 | 转速(Speed) | 3000RPM±10% | a. 65% RH 25°C b. 自由空气(Free Air) c. 额定电压(Rated Voltage) | |
09 | 最大风量(Min. Airvolume Fiow) | 230CFM以上 | a. 额定电压 (Rated Voltage) b. 电流 (Rated Current) | |
10 | 最大静压(Max. Static Pressure) | 18mm-H2O | ||
11 | 音量位准(Noise Level) | 50dB(A) | a. 额定电压 (Rated Voltage) b. 无响室测试(Measured in a Non-Echo Chamber) c. ISO 3744测试条件 (Test Condition) | |
12 | 寿命(Life Expentancy) | 50000hrs at 40 ℃ | a. L10 at Conf. Level 90/ b. 额定电压(Rated Voltage) | |
13 | 极数(No. of Pole) | 4 极 (Poles) | ||
14 | 运转方向(Rotating Direction) | 顺时针(Counter-Clockwise) | ||
电气规格 (Electrical Specification)
项 目(Item) | 规格/条件(Specification / Condition) | ||
01 | 极性保护 (Polarity Protection) | ○ | Vcc与GND反接时,不导通.(Open circuit when Vcc & GND are exchanged) |
○ | Vcc与GND反接时,5秒内回路不烧毁(Circuit won't be burned within 5 seconds when Vcc & GND are exchanged) | ||
02
| 绝缘阻抗 (Insulation Resistance) | 10 M裸线与外框间测量,500 VDC/min(10 M" / b/w unshielded wire and frame at 500 VDC/min) | |
03
| 绝缘耐压 (Dielectric Strength) | 5 mA Max. /导线与外框间测量,500 VAC/min(5 mA Max. / Measured b/w lead wire (+) and frame at 500 VAC/min) | |
04
| 防水等级 | IP68 | |
KFL17251私模 EC.DC
电话:
13728755619(张先生) / 18824603803(钟先生)
邮箱:
ocean@caforre.com / sales6@caforre.com
深圳地址:深圳市龙岗区园山街道沙荷路东海科技工业园2号厂房3楼
东莞地址:广东省东莞市清溪镇百家路76号1栋1楼

散热风扇生产工厂,货源定制,批发价格,采购报价,产品主要应用于IT、通风、机器、电源、机箱、机柜等领域。